您现在的位置: 首页 >> 产品展示 >> 混合机系列 >> 双轴、单轴连续式混合机

产品名称: 双轴、单轴连续式混合机
 
产品详细介绍
 

  连续式混合机是指不同物料按设定好的配比连续不断地输入设备中,通过调整输送设备的速度、混合机的转速和出料速度来控制物料在筒体内的停留时间,在搅拌件的作用下达到理想混合效果而又连续出料的混合方式。
  此种设备的搅拌件通常有单轴桨叶、单轴连续式螺带或者双轴桨叶式。该设备具有物料连进连出、产量大的特点。用户如需选用此种设备时需要提供详细的物料特性及产量要求,以利于我公司做正确的选型。

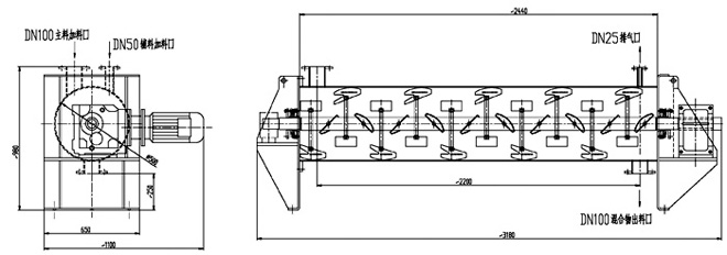
连续混合机结构、工作原理:
连续式混合机由机壳、转轴、搅拌器、减速机、上盖组成,壳体一侧可以配置快开门,供检修用,桨叶与轴用螺栓螺母联接,桨叶角度可调。 物料通过进料口、辅料或者添加剂通过辅料口进入混合机,电机带动混合机运转、轴上桨叶将物料翻、抛起,反向桨叶与正向桨叶使物料形成一定对流,最终桨叶形成的螺旋、将物料向出口输送、同时物料在机内被翻腾、对流、抛起,多种作用下充分混合,既满足了物料混合、又连续工作。

特点:
1、混合效果好、又可连续工作: 在轴上按一定规律设置了一定数量反向叶片

2、转速可调: 调节转速可控制流量
3、桨叶角度可调: 不同用户对混合均匀度、输送时间有不同要求、通过调整桨叶角度、改变处理量
4、操作方便: 筒体可以开有检测门,停机后,操作人员在机外可对每个桨叶角度进行调整。
5、无死角:桨叶排布使机内物料都能混合均匀、残留小

可选择项:
1、材质:碳钢、304SUS、316L SS可选
2、可以配置加热或冷却夹层
3、可以配置雾化喷嘴
4、可以选用单轴、双轴形式
5、搅拌输送部件:桨叶式或连续式螺带形式
6、筒体:U形或者O形

 
U形槽体两端密封选择:
根据物料自身的特性、如细度、密度、适用的行业、应用的不同工艺、压力、真空、温度选择不同的轴端密封形式
1)纯PTFE聚四氟乙烯填料密封、对开哈夫填料箱 2)气密封+PTFE组合形式
   
3)进口、剖分机械密封、适用食品、医药、锂电池行业 4)耐压、耐真空、耐高温机械密封
 
双轴桨叶结构图
 
单轴桨叶结构示图
 
单轴螺带结构图
 
连续式混合机主要参数一览表
型号
LRB-40
LRB-50
LRB-60
LRB-70
直径*长度(mm)
40*1250
50*1600
60*1900
70*2400
动力配备(KW)
5.5-7.5
7.5-11
11-15
15-22
处理量(M3/H)
6-15
10-20
14-30
20-40
以上数据仅供参考、详细数据、需要提供物料特性、流量后才能确定。
 

 



Copyright 2013 南通克莱尔混合设备有限公司 电话:0513-83308511/83309511
地址:江苏启东市民主工业园区恒丰路82号  邮箱:
ntclare@ntclare.com  苏ICP备08105740